I to jest rozwiązanie, jak ktoś umie przylutować elementy przewlekane to z smd również sobie poradzi, tym bardziej że w skalarku były już użyte elementy smd, a pozostałą część miejsca można wykorzystać na coś innego.loccutus pisze:bo bufory pojechały "razem z elektrodą"
W pokrywę można całego skalara zabudować. Oczywiście płyta v9.1 jest spora, ale to tylko dlatego, że ludzie nie chcą SMD - boją się lutować. Praktycznie można by spróbować zmniejszyć płytę skalara nawet o 50-60%
PH komputer
- stanpiter
- członek PKMD
- Posty: 3299
- Rejestracja: 13 sty 2005, 12:38
- Imie i Nazwisko: Piotr Stanaszek
- Lokalizacja: Maków Podhalański
-
woolfik1993
- nowicjusz

- Posty: 10
- Rejestracja: 20 lut 2009, 18:17
- Lokalizacja: Przemyśl
- loccutus
- entuzjasta

- Posty: 320
- Rejestracja: 11 paź 2005, 11:39
- Imie i Nazwisko: Leszek Mikołajczak
- Lokalizacja: Leszno
- Kontaktowanie:
- pozycjonujesz, przyciskasz i dmuchasz goracym powietrzem. Prawda, Tak sie to robi ale ja nie lubię - wolę grot 0.1 i cynę 0.1mm 
Jest też inna metoda - zalewasz wszystko w trikibini cyną, a potem plecionka miedziana i odsysasz. Mam gdzieś nawet filmik jak kumpel w ten sposób transformatorową lutownicą lutuje scalaki - bardzo malutkie;)
http://www.sp2swj.sp-qrp.pl/DDS_DL4JAL/ ... owanie.htm
http://sp3swj.googlepages.com/Lutowanie ... SP3SWJ.wmv
Jest też inna metoda - zalewasz wszystko w trikibini cyną, a potem plecionka miedziana i odsysasz. Mam gdzieś nawet filmik jak kumpel w ten sposób transformatorową lutownicą lutuje scalaki - bardzo malutkie;)
http://www.sp2swj.sp-qrp.pl/DDS_DL4JAL/ ... owanie.htm
http://sp3swj.googlepages.com/Lutowanie ... SP3SWJ.wmv
-
Andrew72
- senior

- Posty: 158
- Rejestracja: 20 lut 2008, 23:47
- Imie i Nazwisko: Andrzej
- Miejsce zamieszkania/miasto/: Poznań
- Lokalizacja: Poznań
Mam małe pytanie (nie chce zakładać nowego tematu do tak małej sprawy a i trochę zahacza tematycznie)
Pytanie głównie skierowane do Loccutus'a & Stanpiter'a & innego forumowicza co się zna na rzeczy
.
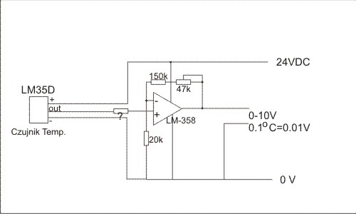
Czy ten układzik co narysowałem ma prawo zadziałać?
Otrzymać chcę sygnał 0-10V z pomiaru temperatury z rozdzielczością 0,1C to 0,01V. Wykorzystywać będzie to mój sterownik Mellera co posiadam a ma wejścia analogowe właśnie 0-10V 10-bitowe (0-1023).
Jeden rezystor ma znak "?" czy jest on konieczny?
Pytanie głównie skierowane do Loccutus'a & Stanpiter'a & innego forumowicza co się zna na rzeczy
Czy ten układzik co narysowałem ma prawo zadziałać?
Otrzymać chcę sygnał 0-10V z pomiaru temperatury z rozdzielczością 0,1C to 0,01V. Wykorzystywać będzie to mój sterownik Mellera co posiadam a ma wejścia analogowe właśnie 0-10V 10-bitowe (0-1023).
Jeden rezystor ma znak "?" czy jest on konieczny?
- Załączniki
-
- cz. temp.jpg (19.58 KiB) Przejrzano 4198 razy
Kto jest online
Użytkownicy przeglądający to forum: Obecnie na forum nie ma żadnego zarejestrowanego użytkownika i 4 gości
